安装与接线


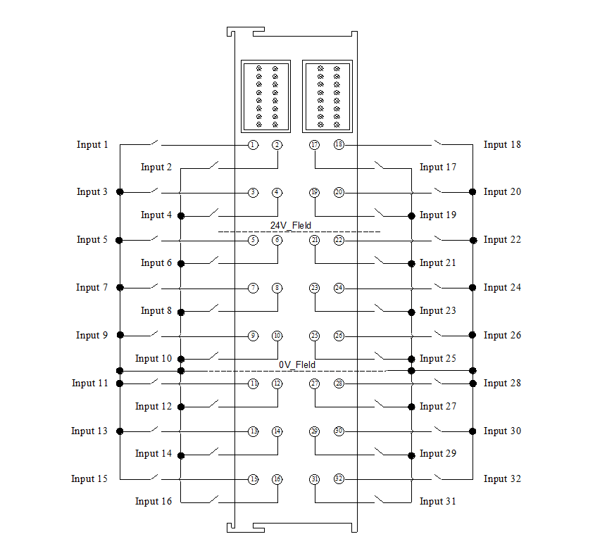
接线图

SRL1032接线图